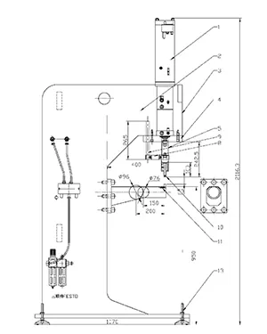
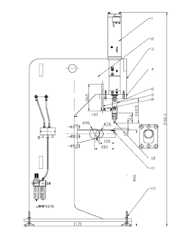
Prensa clinchadora (clinchado de conductos de climatización de 8 toneladas)
- Fuerza de prensado 78kN-156kN
- Profundidad de garganta 400-500mm
- Distancia libre (daylight) 45mm
La prensa clinchadora TCEU es un sistema especializado diseñado específicamente para las industrias de climatización y refrigeración. Está diseñada para la producción en grandes volúmenes de conductos de ventilación de tamaño estándar. Con una garganta extragrande y una estructura robusta, esta serie de prensas se adapta fácilmente a las necesidades específicas de personalización.
Ventajas clave
- Sistema de accionamiento simplificado: Utiliza un cilindro neumohidráulico avanzado como actuador principal.
- Genera una fuerza de prensado de 2kN a 2000kN con solo 2 a 8 bar de aire comprimido, eliminando la necesidad de unidades hidráulicas complejas.
- La fuerza de prensado es infinitamente ajustable dentro del rango especificado.
- Tecnología de prensado adaptativa única: La carrera de potencia se activa automáticamente en cualquier punto de la carrera total al entrar en contacto con la pieza de trabajo.
- No se requiere ajuste de carrera al cambiar de herramienta o pieza. Durante la carrera de potencia, la fuerza se adapta automáticamente a los cambios de carga, optimizando el proceso de ensamblaje.
Procesos aplicables
Formado
Prueba
Estampado
Gofrado
Embutido
Sellado
Remachado
Corte
Doblado
Compresión
Clinchado
Ajuste a presión
Aplicaciones del producto
Clinchado de amortiguador de cuchillas
Conjunto de amortiguador cortafuegos
Conjunto de amortiguador neumático/amortiguador de control de volumen (VCD)
Unión de juntas de conductos/Clinchado de conductos










